常州市經開區(qū)觀鎮(zhèn)中吳大道觀莊215號
051988352916
0519-88351752
lim@changhuamotor.com
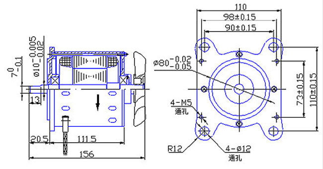
安裝尺寸

技術參數
電機型號 | 電壓 (V) | 頻率 (Hz) Frequency | 標準輸出功率 (W) | 電流 (A) Current | 參考工況轉速 (rpm) Rated speed | 電容 (μF) |
YDK94/30-4 | 220 | 50 | 60 | 0.80 | 1250 | 5 |
YDK94/30-4A | 110 | 60 | 60 | 1.80 | 1500 | 20 |
YDK94/45-4A | 220 | 50 | 90 | 0.80 | 1250 | 6 |
YDK94/45-4C | 220 | 60 | 90 | 0.80 | 1400 | 6 |
YDK94/45-4D | 110 | 60 | 90 | 1.30 | 1400 | 15 |
YDK94/60-4 | 220 | 50 | 120 | 0.85 | 1250 | 6 |
YDK94/70-4 | 220 | 50 | 170 | 1.50 | 1250 | 8 |
